We accept orders for the manufacture of MOORING BOLLARDS according to GOST 17424-72, as well as fastener kits for them with an anchor frame.

Dimensions, mm
| Designation |
Rated load, |
D |
D1 |
D2 |
d | H | h | L | b | S |
S1 |
Weight, |
| TSO-16 | 16 | 260 | 600 | 420 | 34 | 400 | 110 | 420 | 80 | 25 | 50 | 200 |
| TSO-25 | 25 | 300 | 640 | 460 | 40 | 450 | 130 | 460 | 80 | 30 | 55 | 330 |
| TSO-40 | 40 | 400 | 900 | 640 | 52 | 600 | 180 | 720 | 160 | 35 | 65 | 630 |
| TSO-63 | 63 | 450 | 1050 | 760 | 60 | 680 | 200 | 810 | 180 | 45 | 85 | 1000 |
| TSO-80 | 80 | 500 | 1150 | 830 | 68 | 780 | 220 | 940 | 220 | 50 | 100 | 1500 |
| TSO-100 | 100 | 560 | 1350 | 980 | 76 | 900 | 240 | 1040 | 240 | 60 | 120 | 2400 |

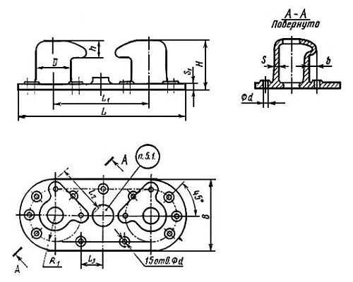
Dimensions, mm
| Designation |
Rated load, |
D |
D1 |
D2 |
d | H | h | L | b | S |
S1 |
S2 |
α, |
Weight, |
| TSS-63 | 63 | 450 | 1150 | 820 | 60 | 760 | 250 | 970 | 300 | 105 | 35 | 105 | 36 | 1700 |
| TSS-80 | 80 | 300 | 1300 | 920 | 68 | 840 | 280 | 1100 | 340 | 125 | 40 | 125 | 36 | 2300 |
| TSS-100 | 100 | 400 | 1500 | 1060 | 76 | 930 | 320 | 1200 | 390 | 135 | 45 | 135 | 36 | 3500 |
| TSS-123 | 123 | 450 | 1600 | 1120 | 76 | 980 | 350 | 1240 | 420 | 150 | 45 | 150 | 36 | 4300 |
| TSS-160 | 160 | 500 | 1750 | 1260 | 76 | 1020 | 370 | 1390 | 430 | 170 | 45 | 170 | 30 | 5300 |

Dimensions, mm
| Designation |
Rated load, |
D | d | L |
L1 |
L2 |
L3 |
B | b | H | h | S | S1 | R |
Weight, |
|
|
Total for two |
Per one |
|||||||||||||||
| TSD-25/16 | 25 | 16 | 260 | 34 | 1350 | 750 | 420 | 165 | 600 | 80 | 360 | 110 | 25 | 50 | 210 | 450 |
| TSD-40/25 | 40 | 25 | 300 | 40 | 1500 | 860 | 460 | 200 | 640 | 80 | 430 | 130 | 30 | 55 | 230 | 750 |
| TSD-63/40 | 63 | 40 | 400 | 52 | 2100 | 1200 | 720 | 280 | 900 | 160 | 540 | 180 | 35 | 65 | 320 | 1420 |
| TSD-80/63 | 80 | 63 | 450 | 60 | 2400 | 1350 | 810 | 295 | 1050 | 180 | 610 | 200 | 45 | 85 | 380 | 2310 |
| TSD-100/80 | 100 | 80 | 500 | 68 | 2700 | 1550 | 940 | 360 | 1150 | 220 | 710 | 220 | 50 | 100 | 415 | 3400 |
| TSD-125/100 | 125 | 100 | 560 | 76 | 3100 | 1750 | 1040 | 395 | 1350 | 240 | 810 | 240 | 60 | 120 | 490 | 4900 |
Price is calculated upon request.