LLC "TransTechnology" manufactures
Arch-type mooring fenders are structurally simple and durable, reliably serving various mooring needs even in the harshest operating conditions. This type of fender has a simple one-piece design ensuring high strength and wear resistance.
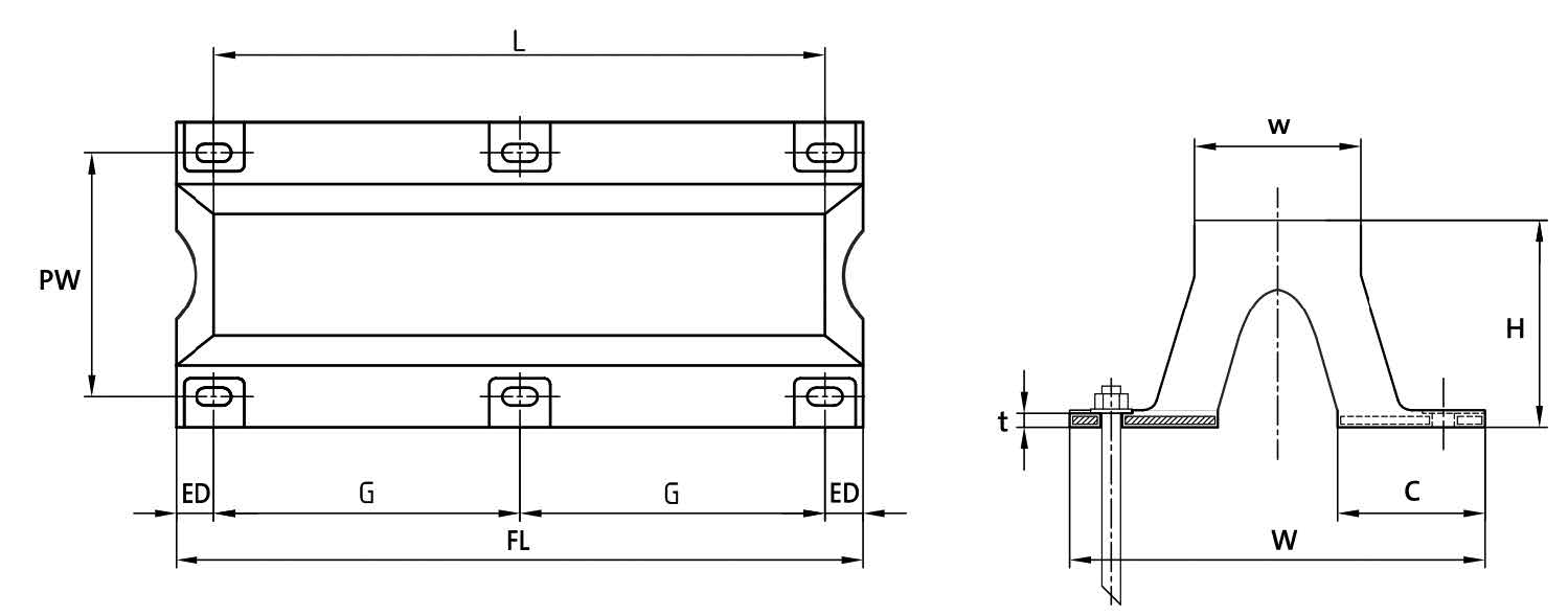
Arch-type mooring fenders (arch-type fender devices) are manufactured according to drawings and have the following properties:

* Can be manufactured with UHMW-PE overlay.
| Fender | H, (mm) | W, (mm) | w, (mm) | t, (mm) | C, (mm) | PW, (mm) | Anchor bolts |
| 250Н | 250 | 500 | 200 | 18 | 178 | 400 | M24 |
| 300Н | 300 | 600 | 240 | 23 | 213 | 480 | M30 |
| 400Н | 400 | 800 | 260 | 27 | 285 | 640 | M36 |
| 500Н | 500 | 1000 | 400 | 29 | 358 | 800 | M36 |
| 600Н | 600 | 1200 | 480 | 34 | 425 | 960 | M42 |
| 800Н | 800 | 1500 | 640 | 38 | 520 | 1300 | M48 |
| 1000Н | 1000 | 1800 | 800 | 47 | 610 | 1550 | M48 |
* "Other sizes can be manufactured upon customer request"
| Size | Characteristic | Nominal deformation 52.5% | Maximum deformation 55% |
| 250H |
Reaction Energy |
148 16 |
205 18 |
| 300H |
Reaction Energy |
177 22 |
246 14 |
| 400H |
Reaction Energy |
236 40 |
328 43 |
| 500H |
Reaction Energy |
295 62 |
410 66 |
| 600H |
Reaction Energy |
354 89 |
492 95 |
| 800H |
Reaction Energy |
472 159 |
656 170 |
| 1000H |
Reaction Energy |
590 248 |
820 266 |

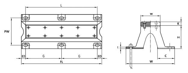
| Fender | H, (mm) | W, (mm) | w, (mm) | t, (mm) | C, (mm) | PW, (mm) | K, (mm) | Anchors | Bolts |
| 250Н | 250 | 500 | 200 | 18 | 178 | 400 | 40 | M24 | M16 |
| 300Н | 300 | 600 | 240 | 23 | 213 | 480 | 40 | M30 | M20 |
| 400Н | 400 | 800 | 260 | 27 | 285 | 640 | 40 | M36 | M20 |
| 500Н | 500 | 1000 | 400 | 29 | 358 | 800 | 50 | M36 | M24 |
| 600Н | 600 | 1200 | 480 | 34 | 425 | 960 | 50 | M42 | M24 |
| 800Н | 800 | 1500 | 640 | 38 | 520 | 1300 | 60 | M48 | M30 |
| 1000Н | 1000 | 1800 | 800 | 47 | 610 | 1550 | 80 | M48 | M30 |
| Fender | L, (mm) | ED, (mm) | G, (mm) | FL, (mm) | Anchors (pcs) | Weight (kg) |
|
250Н |
1000 | 112.5 | 1*900 | 1125 | 4 | 85 |
| 1500 | 112.5 | 2*700 | 1625 | 6 | 123 | |
| 2000 | 117.5 | 3*630 | 2125 | 8 | 162 | |
| 2500 | 112.5 | 3*800 | 2625 | 8 | 200 | |
| 3000 | 112.5 | 4*725 | 3125 | 10 | 239 | |
| 3500 | 112.5 | 5*680 | 3625 | 12 | 277 | |
|
300Н |
1000 | 125.0 | 1*900 | 1150 | 4 | 129 |
| 1500 | 125.0 | 2*700 | 1650 | 6 | 187 | |
| 2000 | 130.0 | 3*630 | 2150 | 8 | 244 | |
| 2500 | 125.0 | 3*800 | 2650 | 8 | 302 | |
| 3000 | 125.0 | 4*725 | 3150 | 10 | 359 | |
| 3500 | 125.0 | 5*680 | 3650 | 12 | 417 | |
|
400Н |
1000 | 150.0 | 1*900 | 1200 | 4 | 240 |
| 1500 | 150.0 | 2*700 | 1700 | 6 | 342 | |
| 2000 | 155.0 | 3*630 | 2200 | 8 | 445 | |
| 2500 | 150.0 | 3*800 | 2700 | 8 | 548 | |
| 3000 | 150.0 | 4*725 | 3200 | 10 | 651 | |
| 3500 | 150.0 | 5*680 | 3700 | 12 | 754 | |
|
500Н |
1000 | 175.0 | 1*900 | 1250 | 4 | 358 |
| 1500 | 175.0 | 2*700 | 1750 | 6 | 506 | |
| 2000 | 180.0 | 3*630 | 2250 | 8 | 654 | |
| 2500 | 175.0 | 3*800 | 2750 | 8 | 802 | |
| 3000 | 175.0 | 4*725 | 3250 | 10 | 951 | |
| 3500 | 175.0 | 5*680 | 3750 | 12 | 1099 | |
|
600Н |
1000 | 200.0 | 1*900 | 1300 | 4 | 525 |
| 1500 | 200.0 | 2*700 | 1800 | 6 | 734 | |
| 2000 | 205.0 | 3*630 | 2300 | 8 | 944 | |
| 2500 | 200.0 | 3*800 | 2800 | 8 | 1153 | |
| 3000 | 200.0 | 4*725 | 3300 | 10 | 1363 | |
|
800Н |
1000 | 250.0 | 1*900 | 1400 | 4 | 890 |
| 1500 | 250.0 | 2*700 | 1900 | 6 | 1227 | |
| 2000 | 255.0 | 3*630 | 2400 | 8 | 1563 | |
| 2500 | 250.0 | 3*800 | 2900 | 8 | 1900 | |
| 3000 | 250.0 | 4*725 | 3400 | 10 | 2237 | |
|
1000Н |
1000 | 300.0 | 1*900 | 1500 | 4 | 1397 |
| 1500 | 300.0 | 2*700 | 2000 | 6 | 1902 | |
| 2000 | 305.0 | 3*630 | 2500 | 8 | 2406 | |
| 2500 | 300.0 | 3*800 | 3000 | 8 | 2910 | |
| 3000 | 300.0 | 4*725 | 3500 | 10 | 3414 |