Wing-type fenders designed to protect ship structures from damage during mooring, berthing, or maneuvering in ports and at wharves. The fenders are made of high-strength and wear-resistant rubber, ensuring durability and resistance to aggressive marine operating conditions.
Material: high-quality rubber with increased resistance to abrasion, ultraviolet radiation, seawater, and temperature fluctuations.
Advantages of wing-type fenders:

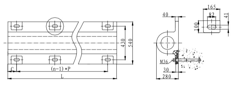
| Type Size, mm | C | P | L | n | Weight, kg |
| 280×540×1000 | 150 | 700 | 1000 | 2 | 99 |
| 280×540×1500 | 150 | 600 | 1500 | 3 | 148.5 |
| 280×540×2000 | 150 | 570 | 2000 | 4 | 198 |
| 280×540×2500 | 150 | 550 | 2500 | 5 | 247.5 |
| 280×540×3000 | 150 | 540 | 3000 | 6 | 297 |
| Type Size, mm | C (mm) | P (mm) | L (mm) | n | Weight, kg |
| 300×600×1000 | 150 | 700 | 1000 | 2 | 106 |
| 300×600×1500 | 150 | 600 | 1500 | 3 | 159 |
| 300×600×2000 | 150 | 570 | 2000 | 4 | 212 |
| 300×600×2500 | 150 | 550 | 2500 | 5 | 265 |
| 300×600×3000 | 150 | 540 | 3000 | 6 | 318 |